Komplettset Clipsblende 100

Clipsblende 100 Profil * Blendenprofil für Schiebebeschlag mit Flügelgewicht bis 140 kg

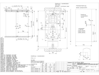
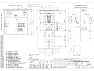
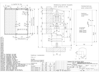
Set Clipsblende 100 konfiguriert Zubehör zur Verblendung der Schiebetürsysteme Rollan und Perlan
  • Blendenprofil zur Abdeckung der Laufschiene Perlan bei Deckenmontage
Kontaktieren Sie uns

Anwendungsbereiche

  • Für Perlan Schiebebeschlag
  • Für Decken- und Wandmontage
  • Für Glasklemmplatte 45 einsetzbar

Downloads

Varianten & Zubehör

Kontakt

GEZE Zentrale +41 62 285 54 00 Deutsche Schweiz GEZE Zentrale +41 21 561 25 00 Suisse Romande Hotline +41 800 155 477 Deutsche Schweiz Hotline +41 800 155 470 Suisse Romande