Komplettset Levolan 60

Set Levolan 60 SoftStop, einseitig gedämpft, bis 60 kg * Levolan SoftStop einseitige Einzugsdämpfung Ausführung links

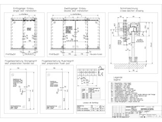
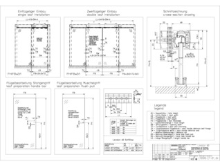
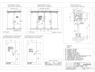
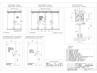
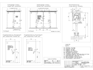
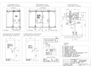
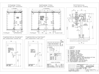
Levolan 60 SoftStop Schiebebeschlag für 60 kg schwere Glasflügel und mit ein- oder beidseitiger Dämpfung für Türen, sodass die Tür sanft abgebremst und selbstständig in die Endlage gezogen wird
  • Kontrollierter Einzug des Schiebeflügels in die jeweilige offene oder geschlossene Endlage
Kontaktieren Sie uns

Anwendungsbereiche

  • Für Levolan Schiebebeschlag
  • Für Schiebeflügel mit einseitiger Einzugsdämpfung
  • Für Flügelgewichte bis 60 kg

Technische Daten zum Produkt

Set Levolan 60 SoftStop, einseitig gedämpft, bis 60 kg
Flügelgewicht (max.) 60 kg
Flügelbreite (min.) 570 mm
Einzugsdämpfung links

Downloads

Varianten & Zubehör

Kontakt

GEZE Zentrale +41 62 285 54 00 Deutsche Schweiz GEZE Zentrale +41 21 561 25 00 Suisse Romande Hotline +41 800 155 477 Deutsche Schweiz Hotline +41 800 155 470 Suisse Romande