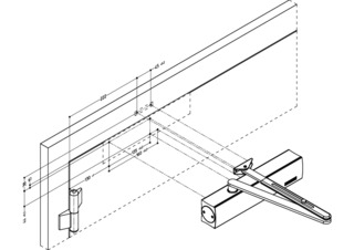
TS 4000 EN 5-7

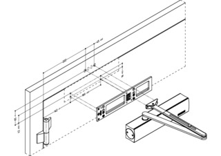
TS 4000 EN 5-7 avec bras d'arrêt * Ferme-porte en applique avec bras à compas pour les portes à un vantail jusqu’à une largeur de vantail de 1600 mm

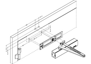
TS 4000 NV avec bras à compas avec arrêt intégré Ferme-porte en applique sans boîtier de raccordement pour montage sur ouvrant et montage sur dormant avec bras à compas avec arrêt intégré
  • Force de fermeture réglable en continu de EN 5-7
  • Pour portes ouvrant à droite et à gauche sans besoin de modification
  • Arrêt mécanique via un bras à compas d'arrêt avec une plage d'arrêt de 70° à 150°
  • À-coup final hydraulique, qui accélère la porte juste avant la position fermée
  • La vitesse de fermeture peut être ajustée individuellement
  • Amortissement d'ouverture intégré, freine les portes fortement ouvertes
Afficher plus
  • Affichage visuel de la force de fermeture pour contrôler facilement le réglage
  • Toutes les fonctions réglables par l’avant (hors à-coup final)
Contactez-nous

Domaines d’application

  • Portes à simple action à droite et à gauche
  • Maintien en ouverture des portes sans exigences de protection pare-fumée et pare-feu
  • Portes battantes à simple action pour une largeur de vantail jusqu'à 1600 mm
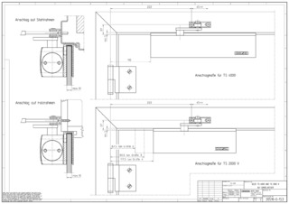
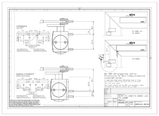
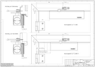
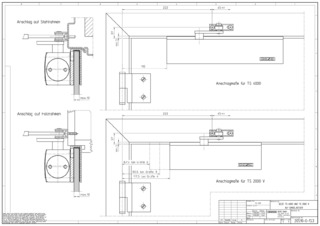
  • Montage sur ouvrant de porte côté paumelles

Spécifications du produit

TS 4000 EN 5-7 avec bras d'arrêt
Force de fermeture selon EN 1154 EN 5 - 7
Largeur de vantail (max.) 1600 mm
Type de montage Montage sur ouvrant de porte côté paumelles
Angle d'ouverture (max.) 180 °
Homologation pour portes coupe-feu Non
Force de fermeture réglable Oui, à plage continue
Vitesse de fermeture réglable Oui
À-coup final réglable Oui, par le bras à compas
Freinage à l‘ouverture intégré Oui, réglage hydraulique possible
Position de réglage de la force de fermeture Avant
Affichage visuel de la force de fermeture Oui
Fonction maintien porte ouverte Mécanique
Plage de réglage de l’arrêt 50 ° - 170 °

Téléchargements

Contact

GEZE Centrale +41 21 561 25 00 Suisse Romande GEZE Centrale +41 62 285 54 00 Suisse Alémanique Hotline +41 800 155 470 Suisse Romande Hotline +41 800 155 477 Suisse Alémanique