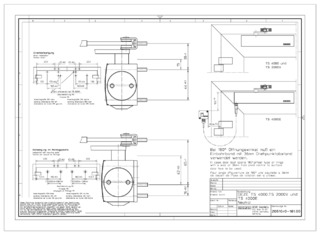
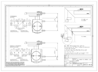
Bras à compas 1 vantail

TS 4000 S * Ferme-porte en applique avec bras à compas pour les portes à un vantail jusqu’à une largeur de vantail de 1400 mm avec temporisation de fermeture

Ferme-portes TS 4000 Ferme-porte à pignon en applique avec bras à compas, Force de fermeture 1-6 et 5-7 selon
  • Force de fermeture réglable en continu EN 2-6
  • Pour portes ouvrant à droite et à gauche sans besoin de modification
  • Temporisation de fermeture réglable pour adapter la vitesse de fermeture de la porte jusqu’à un angle d'ouverture de 80° environ
  • À-coup final hydraulique, qui accélère la porte juste avant la position fermée
  • La vitesse de fermeture peut être ajustée individuellement
  • Amortissement d'ouverture intégré, freine les portes fermées brusquement
Afficher plus
  • Affichage visuel de la force de fermeture pour contrôler facilement le réglage
  • Toutes les fonctions sont réglables par l'avant
Contactez-nous

Domaines d’application

  • Portes coupe-feu et pare-flammes
  • Portes à simple action à droite et à gauche
  • Portes battantes à simple action pour une largeur de vantail jusqu'à 1400 mm
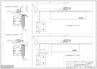
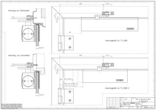
  • Montage sur ouvrant côté paumelles et montage sur dormant côté opposé aux paumelles
  • Montage sur ouvrant côté opposé aux paumelles avec montage bras parallèle, jusqu'à une force de fermeture conforme à la norme EN 5

Spécifications du produit

TS 4000 S
Force de fermeture selon EN 1154 EN 2 - 6
Accessibilité selon DIN 18040 jusqu'à une largeur de vantail (max.) en mm 1100 mm
Largeur de vantail (max.) 1400 mm
Type de montage Montage sur ouvrant de porte côté paumelles, Montage sur dormant côté opposé aux paumelles, Montage sur ouvrant côté opposé aux paumelles
Angle d'ouverture (max.) 180 °
Homologation pour portes coupe-feu Oui
Force de fermeture réglable Oui, à plage continue
Vitesse de fermeture réglable Oui
À-coup final réglable Oui, par valve
Freinage à l‘ouverture intégré Oui, réglage hydraulique possible
Retard à la fermeture intégré Oui
Position de réglage de la force de fermeture Avant
Affichage visuel de la force de fermeture Oui
Fonction maintien porte ouverte en option

Téléchargements

Contact

GEZE Centrale +41 21 561 25 00 Suisse Romande GEZE Centrale +41 62 285 54 00 Suisse Alémanique Hotline +41 800 155 470 Suisse Romande Hotline +41 800 155 477 Suisse Alémanique