Bras à compas 1 vantail

TS 4000 EN 1-6 * Ferme-porte en applique avec bras à compas pour les portes à un vantail jusqu'à une largeur de vantail de 1400 mm

Ferme-portes TS 4000 Ferme-porte à pignon en applique avec bras à compas, Force de fermeture 1-6 et 5-7 selon
  • Force de fermeture réglable en continu EN 1-6
  • Pour portes ouvrant à droite et à gauche sans besoin de modification
  • À-coup final mécanique, qui accélère la porte juste avant la position de fermeture
  • La vitesse de fermeture peut être ajustée individuellement
  • Amortissement d'ouverture intégré, freine les portes fermées brusquement
  • Affichage visuel de la force de fermeture pour contrôler facilement le réglage
Afficher plus
  • Toutes les fonctions réglables par l’avant (hors à-coup final)
Contactez-nous

Domaines d’application

  • Portes coupe-feu et pare-flammes
  • Portes à simple action à droite et à gauche
  • Portes battantes à simple action pour une largeur de vantail jusqu'à 1400 mm
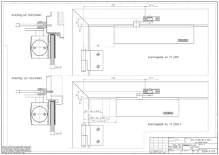
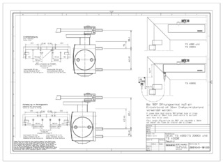
  • Montage sur ouvrant de porte côté paumelles
  • Montage sur dormant côté opposé aux paumelles
  • Pour le montage de bras parallèles sur le côté opposé aux paumelles du vantail de la porte

Spécifications du produit

TS 4000 EN 1-6
Force de fermeture selon EN 1154 EN 1 - 6
Accessibilité selon DIN 18040 jusqu'à une largeur de vantail (max.) en mm 1100 mm
Largeur de vantail (max.) 1400 mm
Type de montage Montage sur ouvrant de porte côté paumelles, Montage sur dormant côté opposé aux paumelles
Angle d'ouverture (max.) 180 °
Homologation pour portes coupe-feu Oui
Force de fermeture réglable Oui, à plage continue
Vitesse de fermeture réglable Oui
À-coup final réglable Oui, par le bras à compas
Freinage à l‘ouverture intégré Oui, réglage hydraulique possible
Position de réglage de la force de fermeture Avant
Affichage visuel de la force de fermeture Oui
Fonction maintien porte ouverte en option

Téléchargements

Variantes et accessoires

Contact

GEZE Centrale +41 21 561 25 00 Suisse Romande GEZE Centrale +41 62 285 54 00 Suisse Alémanique Hotline +41 800 155 470 Suisse Romande Hotline +41 800 155 477 Suisse Alémanique